這是一篇你要看兩遍的LED顯示屏驅動芯片科普
恒流驅動芯片是led顯示屏里重要的一部分,它的選型直接影響顯示效果。目前常用的驅動芯片按其架構不同可分為通用芯片、雙緩存、PWM三大類。這三類IC的具體工作原理是什么 ?區別又是什么呢?這篇文章一一聊聊。
先說幾個概念:
①刷新:指的是一秒鐘圖像出現的次數,具體到單燈就是一秒鐘內亮滅了多少次。刷新高拍照效果好,但一次刷新也是一次燈珠的開關,燈珠的開關次數是會影響其壽命的。所以刷新夠用就好,并不是越高越好。
②幀頻:指的是一秒鐘內出現了多少副圖像,由于人眼的視覺暫留特性,只要一秒鐘內畫面變化大于24HZ,就不會感到停頓,我們目前使用的是60HZ幀頻。
③灰階:指的是屏體從黑到最亮能夠分成的亮度等級。比如一個顯示屏的亮度是16384cd/㎡,灰階是14Bit(214即16384級)。它是將16384的亮度分成16384級,每一級的亮度是1cd/㎡?;译A越高,每一級對應的亮度越低,顯示效果細膩。
現分別以MBI5024、ICND2038S、MBI5153為代表,介紹一下通用、雙緩存、PWM三大類驅動芯片的具體工作原理和區別。
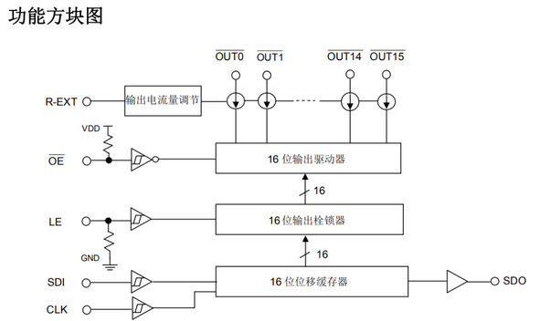
一:通用芯片(MBI5024)



如圖所示,16位數據信號SDI在時鐘的作用下從低到高,被一一送到16位位移緩存器中(串入);16位數據存滿后會自動同時進入16位輸出栓鎖器中;通過鎖存信號LE控制,同時輸出到16位驅動器中;最后通過OE控制其輸出(并出)。
常規芯片的灰度是通過把一幀的顯示脈沖信號均分,從而控制燈珠點亮時間獲得。如下圖是一個均分成16Bit的顯示信號脈沖波形圖,灰度等級越高脈沖越寬,對應燈珠點亮的時間越久。

結合原理框圖,我們可以建立一個刷新和時鐘的關系式。CLK=芯片通道數*掃描數*刷新頻率*一組數據芯片個數*換幀頻率(芯片通道數*掃描數*一組數據芯片個數,就是一組數據帶點數)。
二:雙緩存(ICND2038S)



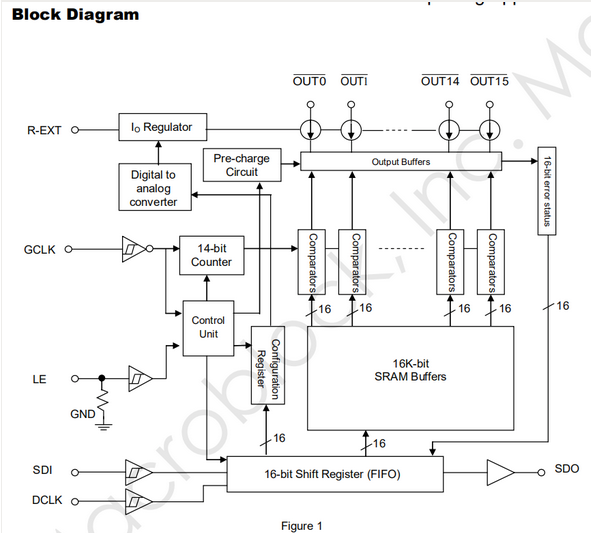
二:PWM(MBI5153)


如上圖可以看出,其工作方式和通用IC及雙緩存IC有很大不一樣了。數據通過數據時鐘DCLK的作用傳入到16位寄存器,存滿后自動進入SRAM,SRAM會將一幀時間內的所有數據先存儲起來。然后通過灰度時鐘GCLK配合comparators(算法電路)控制其輸出脈寬得到具體的灰度值,直接將灰度值以16位的數據形式給到Output Buffers(輸出緩沖器)輸出。(通用IC的灰度可以理解為燈珠N次亮滅得到的,這里是直接輸出灰度值)。

知道了PWM芯片的工作原理后,我們可以建立以下關系式:
①:DCLK=灰階數據數*通道數*掃描數*幀頻*一組數據芯片個數;跟通用IC不一樣的是這里多了一個灰階數據數,從框圖中可以看出輸出灰階為16的數據,所以式中灰階數據數為16。
②:GCLK=灰階*掃描數*幀頻;一個GCLK脈寬就是一級灰階,N個GCLK脈寬疊加就是N級灰階。
PWM芯片不能直接將DCLK或GCLK視為通用芯片的CLK來建立與刷新關系式。PWM芯片的刷新是由灰階決定的,它是先有灰階再有刷新。
③:刷新=(灰階÷打散方式)*幀頻;這里的打散方式是聚積PWM芯片一種提高刷新的手段,不同PWM芯片有不同的打散方式,同一種PWM芯片在不同倍率下也有不同的打散方式。下圖是MBI5153的打散方式:

以一個灰度14Bit,32掃的顯示屏不開倍頻為例:帶入以上關系式可得需要的GCLK約為31MHZ,能夠得到的刷新為1920HZ(本文以上所有關系式均未考慮消影所需的時鐘)。
LED芯片是LED產品的心臟,主要功能就是把電能轉化成光能,在使用過程中,led顯示屏芯片也會出現各種各樣的問題,現在就讓我們一起看看LED芯片常規會出現那六大問題吧!
01、正向電壓降低、暗光
(1)一種是電極與發光材料為歐姆接觸,但接觸電阻大,主要由材料襯底低濃度或電極缺損所致。
(2)一種是電極與材料為非歐姆接觸,主要發生在芯片電極制備過程中蒸發第 一層電極時的擠壓印或夾印,分布位置。
另外封裝過程中也可能造成正向壓降低,主要原因有銀膠固化不充分,支架或芯片電極沾污等造成接觸電阻大或接觸電阻不穩定。
正向壓降低的芯片在固定電壓測試時,通過芯片的電流小,從而表現暗點,還有一種暗光現象是芯片本身發光效率低,正向壓降正常。
02、難壓焊
(1)打不粘:主要因為電極表面氧化或有膠
(2)有與發光材料接觸不牢和加厚焊線層不牢,其中以加厚層脫落為主。
(3)打穿電極:通常與芯片材料有關,材料脆且強度不高的材料易打穿電極,一般GAALAS材料(如高紅,紅外芯片)較GAP材料易打穿電極。
(4)壓焊調試應從焊接溫度,超聲波功率,超聲時間,壓力,金球大小,支架定位等進行調整。
03、發光顏色差異
(1)同一張芯片發光顏色有明顯差異主要是因為外延片材料問題,ALGAINP四元素材料采用量子結構很薄,生長是很難保證各區域組分一致。(組分決定禁帶寬度,禁帶寬度決定波長)。
(2)GAP黃綠芯片,發光波長不會有很大偏差,但是由于人眼對這個波段顏色敏感,很容易查出偏黃,偏綠。由于波長是外延片材料決定的,區域越小,出現顏色偏差概念越小,故在M/T作業中有鄰近選取法。
(3)GAP紅色芯片有的發光顏色是偏橙黃色,這是由于其發光機理為間接躍進。受雜質濃度影響,電流密度加大時,易產生雜質能級偏移和發光飽和,發光是開始變為橙黃色。
04、閘流體效應
(1)是發光二極管在正常電壓下無法導通,當電壓加高到一定程度,電流產生突變。
(2)產生閘流體現象原因是發光材料外延片生長時出現了反向夾層,有此現象的LED在IF=20MA時測試的正向壓降有隱藏性,在使用過程是出于兩極電壓不夠大,表現為不亮,可用測試信息儀器從晶體管圖示儀測試曲線,也可以通過小電流IF=10UA下的正向壓降來發現,小電流下的正向壓降明顯偏大,則可能是該問題所致。
05、反向漏電流IR
在限定條件下反向漏電流為二極管的基本特性,按LED以前的常規規定,指反向電壓在5V時的反向漏電流。隨著發光二極管性能的提高,反向漏電流會越來越小。IR越小越好,產生原因為電子的不規則移動。
(1)芯片本身品質問題原因,可能晶片本身切割異常所導致。
(2)銀膠點的太多,嚴重時會導致短路。外延造成的反向漏電主要由PN結內部結構缺陷所致,芯片制作過程中側面腐蝕不夠或有銀膠絲沾附在測面,嚴禁用有機溶液調配銀膠。以防止銀膠通過毛細現象爬到結區。
(3)靜電擊傷。外延材料,芯片制作,器件封裝,測試一般5V下反向漏電流為10UA,也可以固定反向電流下測試反向電壓。不同類型的LED反向特性相差大:普綠,普黃芯片反向擊穿可達到一百多伏,而普紅芯片則在十幾二十伏之間。
(4)焊線壓力控制不當,造成晶片內崩導致IR升高。
解決方案
(1)銀膠膠量需控制在晶片高度的1/3~1/2;
(2)人體及機臺靜電量需控制在50V以下;
(3)焊線第 一點的壓力應控制在30~45g之間為佳。
06、死燈現象
(1)LED的漏電流過大造成PN結失效,使LED燈點不亮,這種情況一般不會影響其他的LED燈的工作。
(2)LED燈的內部連接引線斷開,造成LED無電流通過而產生死燈,這種情況會影響其他的LED燈的正常工作,原因是由于LED燈工作電壓低(紅黃橙LED工作電壓1.8v-2.2v,藍綠白LED工作電壓2.8-3.2v),一般都要用串、并聯來聯接,來適應不同的工作電壓,串聯的LED燈越多影響越大,只要其中有一個LED燈內部連線開路,將造成該串聯電路的整串LED燈不亮,可見這種情況比第 一種情況要嚴重的多。
客服
